Klipsch KSW Series 서브우퍼 설명서 개요
이 문서는 Klipsch KSW Series 서브우퍼 설명서 내용을 사용자 관점에서 이해하기 쉽게 정리한 안내서입니다.
대상 모델은 KSW-10, KSW-12, KSW-15이며, 설치 전 확인할 안전 수칙부터 연결 방식, 조작부 설정, 배치 요령, 문제 해결, 관리 방법까지 순서대로 담았습니다.
제품군 전체의 공통 사항과 모델별 차이도 함께 확인할 수 있어 실제 설치 전에 한 번 읽어두면 도움이 됩니다.

사용 전 반드시 확인할 안전 주의사항
KSW Series는 내부에 전원 증폭부가 들어 있는 액티브 서브우퍼입니다.
따라서 일반 스피커보다 전기 안전에 특히 주의해야 합니다.
커버나 후면 플레이트를 임의로 열면 감전이나 화재 위험이 있으며, 내부에는 사용자가 직접 수리할 수 있는 부품이 없습니다.
이상이 있을 때는 반드시 Klipsch 공인 서비스 또는 전문 수리점에 의뢰해야 합니다.
핵심 안전 수칙
| 항목 | 내용 |
|---|---|
| 감전 주의 | 비나 습기에 노출하지 말아야 합니다. |
| 분해 금지 | 상판, 커버, 후면 판넬을 열지 마십시오. |
| 플러그 방향 | 극성이 있는 플러그는 넓은 쪽 날을 콘센트의 넓은 홈에 맞춰 끝까지 꽂아야 합니다. |
| 설치 장소 | 물가, 욕실, 싱크대 주변, 젖을 수 있는 공간에서는 사용하지 마십시오. |
| 통풍 | 방열판과 통풍구의 공기 흐름이 막히지 않도록 설치해야 합니다. |
| 열원 회피 | 난방기, 라디에이터, 스토브 등 열 발생 장치 근처에 두지 마십시오. |
| 전원 규격 | 기기 표기 또는 설명서에 맞는 전원만 사용해야 합니다. |
| 전원 케이블 보호 | 밟히거나 눌리거나 꺾이지 않도록 배선해야 합니다. |
| 장기간 미사용 | 오랫동안 사용하지 않을 때는 벽면 콘센트에서 분리하는 것이 좋습니다. |
| 청소 | 제조사 지침에 따라 부드러운 마른 천 또는 약간 젖은 천으로 청소합니다. |
설치 전 알아둘 점
서브우퍼를 이동하거나 배선할 때는 먼저 전원 스위치를 OFF로 두고 AC 전원 플러그를 분리해야 합니다.
연장선을 써야 한다면 지나치게 길고 가는 케이블은 피하는 것이 좋습니다.
이런 케이블은 앰프 성능 저하나 발열 위험을 만들 수 있습니다.
또한 전원 코드는 잘리거나 눌리거나 끼이지 않도록 배선해야 합니다.
230V 모델은 AC 전원 코드가 기본 제공되지 않고 IEC 타입 전원 소켓을 사용하는 점도 참고하면 됩니다.
Klipsch KSW Series 모델별 주요 사양
KSW Series는 같은 제품군이지만 크기, 출력, 저역 재생 한계, 입출력 구성이 조금씩 다릅니다.
아래 표로 정리해 보면 어떤 모델이 내 공간과 시스템에 맞는지 비교하기 쉽습니다.
KSW-10 / KSW-12 / KSW-15 사양 비교
| 항목 | KSW-10 | KSW-12 | KSW-15 |
|---|---|---|---|
| 형식 | 10인치 베이스 리플렉스, 튜닝 포트형 | 12인치 베이스 리플렉스, 튜닝 포트형 | 15인치 베이스 리플렉스, 튜닝 포트형 |
| 피크 출력 | 225W / 4Ω | 441W / 4Ω | 800W / 16Ω |
| FTC 정격 출력 | 55W 연속, 22~125Hz, 1% THD 최대 | 105W 연속 / 4Ω, 22~100Hz, 1% THD 최대 | 265W / 16Ω, 22~100Hz, 1% THD 최대 |
| 자동 전원 | 신호 감지 후 2초 켜짐 / 15분 무신호 시 꺼짐 | 신호 감지 후 2초 켜짐 / 15분 무신호 시 꺼짐 | 신호 감지 후 2초 켜짐 / 15분 무신호 시 꺼짐 |
| 주파수 응답 | 29~120Hz ±3dB | 26~120Hz ±3dB | 24~120Hz ±3dB |
| 최대 음압 | 110dB | 113dB | 121dB |
| 로우패스 | 40~120Hz 가변, 120Hz 이상 24dB/oct | 40~120Hz 가변, 120Hz 이상 24dB/oct | 40~120Hz 가변, 120Hz 이상 24dB/oct |
| 입력 | 라인 입력 RCA 2개, 하이레벨 스피커 입력 2개 | 라인 입력 RCA 2개, 하이레벨 스피커 입력 2개 | 라인 입력 RCA 2개, 전용 LFE 입력 1개, 하이레벨 스피커 입력 2개 |
| 출력 | 해당 없음 | 하이레벨 스피커 출력 2개, 100Hz 하이패스, 6dB/oct | 라인 출력 RCA 2개, 50/100Hz 선택형 하이패스 / 하이레벨 스피커 출력 2개, 100Hz 하이패스, 6dB/oct |
| 위상 | 0 / 180도 전환 | 0 / 180도 전환 | 0 / 180도 전환 |
| 드라이버 | K-1070-K 10인치(25.4cm) | K-1071-K 12인치(30.5cm) | K-1072-K 15인치(38.1cm) |
| 무게 | 29lb(13.18kg) | 35lb(15.9kg) | 45lb(20.45kg) |
| 크기(H×W×D) | 39.37×34.3×34.3cm | 43.18×38.1×38.1cm | 49.53×44.45×44.45cm |
| 인클로저 | MDF | MDF | MDF |
| 마감 | 무광 블랙 비닐 | 무광 블랙 비닐 | 무광 블랙 비닐 |
| 전원 | 110/120VAC 60Hz, 수출형 230VAC 50/60Hz | 110/120VAC 60Hz, 수출형 230VAC 50/60Hz | 110/120VAC 60Hz, 수출형 230VAC 50/60Hz |
연결 방식은 하나만 선택하는 것이 원칙입니다
KSW Series는 기본적으로 SPEAKER LEVEL 연결 또는 LINE LEVEL 연결 중 하나를 선택해 설치합니다.
두 방식을 동시에 쓰는 것은 권장되지 않습니다.
단, LFE 연결은 선택형 라인 연결로서 기존 스피커 레벨 또는 라인 레벨 연결과 함께 사용할 수 있습니다.
시스템 구성에 따라 메인 스피커를 풀레인지로 운용할 수도 있고, KSW-12와 KSW-15에서는 저역이 제한된 하이패스 신호를 메인 스피커에 보내는 구성도 가능합니다.
Speaker Level 연결이 적합한 경우
리시버나 인티앰프에 서브우퍼 프리아웃 또는 라인 레벨 출력이 없을 때는 SPEAKER LEVEL 연결을 사용합니다.
이 방식은 스피커 단자에서 신호를 받아 서브우퍼를 동작시키는 구조입니다.
메인 스피커는 그대로 풀레인지로 쓰거나,
KSW-12와 KSW-15에서는 서브우퍼를 거쳐 하이패스된 신호를 메인 스피커로 보낼 수도 있습니다.

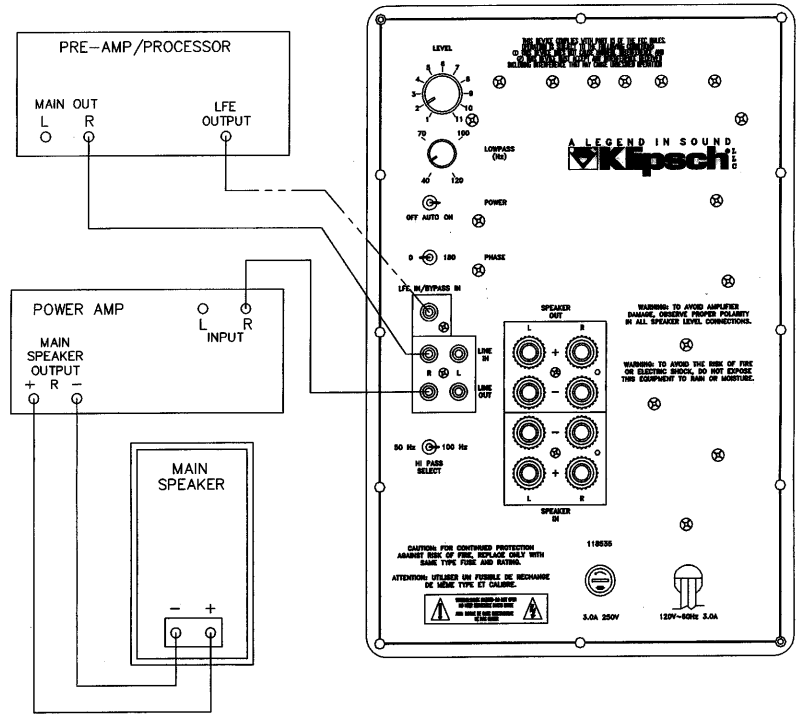
SPEAKER IN 연결 방법
모든 모델에서 사용할 수 있는 방법입니다.
서브우퍼 입력선은 앰프의 좌우 메인 스피커 출력 단자에 병렬로 연결하거나,
앰프에 Speaker B 단자가 있다면 보조 단자에 연결할 수 있습니다.
또는 메인 스피커 케이블과 함께 서브우퍼의 SPEAKER IN 단자에 연결하는 방식도 가능합니다.
서브우퍼가 전자기기보다 스피커 근처에 있을 때는 이 방법이 더 편리할 수 있습니다.
최적의 성능을 위해 좌우 입력 케이블 길이는 동일하게 맞추고,
메인 스피커에 사용하는 것과 같은 품질의 케이블을 쓰는 것이 좋습니다.
SPEAKER OUT 연결 방법: KSW-12와 KSW-15만 해당
메인 스피커에 저역이 줄어든 하이패스 신호를 보내고 싶다면 메인 스피커를 앰프가 아니라 서브우퍼의 SPEAKER OUT 단자에 연결합니다. 이 출력은 100Hz 이하의 저역을 제거하므로 메인 스피커의 왜곡을 줄이고 다이내믹 레인지를 넓히는 데 도움이 됩니다. 특히 작은 북셀프 스피커와 조합할 때 체감 차이가 클 수 있습니다. 다만 이 출력은 저역이 필터링되어 있으므로 다른 서브우퍼를 연결하면 안 됩니다.
스피커 케이블 연결 시 극성은 꼭 맞춰야 합니다
스피커 케이블을 연결할 때는 반드시 극성(+는 +끼리, -는 -끼리)을 맞춰야 합니다.
서브우퍼 입력선 중 하나라도 극성이 반대로 연결되면 저역 출력이 줄어들 수 있습니다.
일반적으로 빨간색은 플러스(+), 검은색은 마이너스(-)입니다.
케이블 색상이나 표시 방식이 다르더라도 시스템 전체에서 일관성 있게 연결하면 됩니다.
연결 단자 근처에 벗겨진 선이 너무 많이 노출되거나 가닥이 풀려 있으면 쇼트가 발생해 스피커와 앰프를 손상시킬 수 있으니 주의해야 합니다.
이 부분은 생각보다 흔한 실수라서 설치할 때 한 번 더 확인하는 것이 좋습니다.
Line Level 연결이 적합한 경우
프리앰프, 프로세서, 파워앰프 분리형 시스템이나 서브우퍼 출력 또는 메인 채널 프리아웃을 가진 리시버에서는 LINE LEVEL 연결이 보통 더 좋은 선택입니다.
이때는 RCA 플러그가 달린 차폐 인터커넥트 케이블을 사용합니다.
케이블은 가능한 짧게 쓰고, 디지털 기기나 모터류처럼 노이즈를 만들 수 있는 장비에서 멀리 배치하는 것이 좋습니다.

LINE IN 연결 방법
모든 모델에서 LINE IN 단자는
리시버나 프리앰프/프로세서의 비필터 풀레인지 서브우퍼 출력 또는 메인 채널 프리아웃에 연결하는 것이 가장 좋습니다.
이 입력은 메인 좌우 채널에 포함된 일반적인 저역 정보를 받아 재생합니다.
프리아웃이 한 조만 있는 장비에서는 Y 어댑터를 사용해 신호를 서브우퍼와 파워앰프에 동시에 분배할 수 있습니다.
KSW-10 / KSW-12의 모노 서브우퍼 출력 연결
KSW-10과 KSW-12는 전자기기의 모노 서브우퍼 출력 하나를 L/LFE 입력에 단일 RCA 케이블로 연결할 수 있습니다.
이 상태에서 LEVEL을 충분히 올려도 서브우퍼 음량이 부족하다면,
서브우퍼 쪽 끝단에 Y 케이블을 추가해 좌우 라인 입력 두 곳에 함께 연결하면 출력 레벨이 약 6dB 증가합니다.
KSW-15의 LINE OUT과 LFE / BYPASS IN
KSW-15는 연결 옵션이 가장 다양합니다.
LINE OUT은 저역이 제한된 하이패스 신호를 메인 스피커용 파워앰프에 전달할 때 사용합니다.
또한 전용 LFE IN / BYPASS IN 단자는 일반적으로 5.1채널 시스템의 저역 효과 신호 출력에 연결합니다.
이 단자로 들어온 신호는 서브우퍼의 LOW PASS(HZ) 가변 필터 영향을 받지 않습니다.
LINE IN과 LFE IN / BYPASS IN은 내부에서 합산되므로,
장비가 두 출력을 모두 제공하면 동시에 사용할 수 있습니다.
이 LFE 입력은 스피커 레벨 연결과도 병행 가능합니다.

서브우퍼 배치 요령
KSW Series는 120Hz 이하의 저역을 주로 재생하도록 설계되어 있어 방향 감지가 상대적으로 어렵습니다.
하지만 설치 위치에 따라 저역 양감과 응답 특성이 크게 달라집니다.
코너에 가까울수록 음향 로딩이 증가해 출력과 다이내믹 레인지가 커지고, 벽에서 멀거나 방 중앙에 둘수록 출력은 가장 적어집니다.
서브우퍼 두 대를 쓸 경우 비대칭 배치가 더 매끄럽고 균일한 저역 응답을 만드는 데 도움이 될 수 있습니다.
배치 시 꼭 기억할 포인트
| 상황 | 권장 내용 |
|---|---|
| 메인 스피커와 조합 | 일반적으로 함께 사용하는 메인 스피커 근처에 두는 것이 유리합니다. |
| 서라운드 후면 채널용 | 후면 채널 저역 재생용이라면 방 뒤쪽 배치가 더 적합합니다. |
| 코너 배치 | 출력과 저역 에너지가 증가합니다. |
| 방 중앙 배치 | 출력이 가장 적어질 수 있습니다. |
| TV 근처 설치 | 색 번짐이나 간섭이 있으면 TV와 거리를 더 벌려야 합니다. |
| 수납장 내부 설치 | 앰프 방열을 위한 통풍이 필요하며 후면 포트 주변에 최소 수 인치 공간을 확보해야 합니다. |
| 딱딱한 바닥 | 동봉된 고무 패드를 발 밑에 부착하면 진동과 바닥 손상을 줄일 수 있습니다. |
서라운드 시스템에서의 베이스 매니지먼트
서라운드 프로세서나 AV 리시버에는 보통 스피커별 대역 설정 기능이 있습니다.
KSW Series의 LINE IN 또는 SPEAKER IN을 사용할 때는
메인 채널을 Large 또는 Full Range로 설정하는 것이 권장됩니다.
만약 사용 중인 전자기기의 서브우퍼 출력에 해제할 수 없는 로우패스 필터가 걸려 있다면,
서브우퍼의 LOW PASS(HZ) 노브는 가장 높은 120Hz로 맞추는 것이 좋습니다.
단, KSW-15의 전용 LFE IN / BYPASS IN은 이 규칙의 예외입니다.
LFE 채널은 일반 저역보다 더 크게 들어올 수 있습니다
영화용 5.1 시스템의 .1 또는 LFE 채널은 다른 채널의 일반 저역 정보와 다른 성격의 신호를 담고 있으며, 최대 10dB 더 크게 기록될 수 있습니다. 따라서 LFE 출력에 연결할 때는 처음부터 LEVEL을 과하게 높이지 말고 낮은 위치에서 시작해 천천히 조정하는 것이 안전합니다.
조작부 설정 방법
설치가 끝났다면 이제 LEVEL, LOW PASS(HZ), POWER, PHASE 같은 조작부를 조정해야 합니다.
서브우퍼는 조금만 바꿔도 소리가 크게 달라지기 때문에,
처음에는 권장값으로 시작한 뒤 방 구조와 메인 스피커 특성에 맞춰 미세 조정하는 것이 좋습니다.
LEVEL, LOW PASS, POWER, PHASE 설정 가이드
| 조작부 | 설명 | 초기 권장 설정 |
|---|---|---|
| LEVEL | 메인 스피커 대비 서브우퍼 볼륨을 조절합니다. 방 구조, 설치 위치, 메인 스피커 감도 차이를 보정할 때 사용합니다. | 10시~12시 방향 |
| LOW PASS (HZ) | 서브우퍼가 재생할 상한 주파수를 40~120Hz 범위에서 조정합니다. 메인 스피커와의 저역 연결감을 자연스럽게 만드는 핵심 노브입니다. | 시스템에 따라 조정 |
| POWER | ON / OFF / AUTO 선택이 가능합니다. AUTO에서는 신호가 들어오면 켜지고, 15분간 신호가 없으면 꺼집니다. | AUTO 권장 |
| PHASE | 메인 스피커와의 위상 관계를 0도 또는 180도로 맞춥니다. 방에서 발생하는 저역 상쇄를 줄이는 데 사용합니다. | 0도 또는 180도 중 저역이 더 풍부한 쪽 선택 |
LOW PASS 설정은 이렇게 접근하면 쉽습니다
LOW PASS(HZ)는 메인 스피커와 서브우퍼 사이의 저역 연결을 자연스럽게 만드는 설정입니다.
값을 너무 높이면 저역이 겹쳐서 둔하고 뭉친 느낌이 날 수 있고,
너무 낮추면 서브우퍼 소리가 메인 스피커와 분리되어 들릴 수 있습니다.
메인 스피커가 외부 하이패스 필터를 통해 저역이 제한된 상태라면,
LOW PASS는 그 필터 주파수 근처에서 시작하는 것이 좋습니다.
반대로 메인 스피커가 풀레인지로 동작한다면,
메인 스피커의 저역 한계 부근에 맞추면 됩니다.
큰 플로어스탠딩 스피커와 조합할 때는 보통 더 낮은 값에서 시작하는 편이 자연스럽습니다.
KSW-12 / KSW-15의 하이패스 운용 포인트
KSW-12와 KSW-15에서 메인 스피커를 SPEAKER OUT에 연결하면 메인 스피커는 하이패스된 신호를 받습니다.
이 경우 LOW PASS(HZ)는 우선 100Hz 근처에 맞춰 시작하는 것이 좋습니다.
KSW-15에서 라인 레벨 하이패스를 사용할 때는 HIGH PASS SELECT 스위치로 50Hz 또는 100Hz를 선택할 수 있습니다.
일반적으로 100Hz는 작은 북셀프 스피커에, 50Hz는 저역 대응력이 더 좋은 대형 플로어스탠딩 스피커에 적합합니다.
서브우퍼의 하이패스 필터는 완만한 기울기이므로 차단 주파수 아래 신호가 완전히 사라지는 것은 아닙니다.
전원 표시등 의미
AUTO 모드에서 빨간 전원 표시등은 대기 상태를 뜻하며, 신호를 감지하면 앰프가 켜집니다.
초록색 표시등은 서브우퍼가 켜져 있고 신호를 받아 동작 중임을 의미합니다.
평소 AUTO 모드로 두면 사용이 편리하고, 장기간 사용하지 않을 때만 전원을 완전히 분리하는 방식이 실용적입니다.
문제가 있을 때 확인할 점
서브우퍼에서 소리가 거의 나지 않거나, 험 노이즈가 들리거나, 출력이 갑자기 줄었다면 대부분은 연결과 설정, 퓨즈, 극성, 과열 보호 동작에서 원인을 찾을 수 있습니다.
아래 항목을 순서대로 점검하면 원인을 좁히는 데 도움이 됩니다.
Klipsch KSW Series 문제 해결 체크리스트
| 증상 | 확인 사항 |
|---|---|
| 출력이 거의 없음 | AC 전원 연결, 시스템 연결, LEVEL 노브, POWER 스위치 위치를 확인합니다. |
| 전원등이 켜지지 않음 | 퓨즈를 확인합니다. 반드시 전원 플러그를 뽑은 후 동일 규격 퓨즈로 교체해야 합니다. |
| 퓨즈가 반복적으로 끊어짐 | 더 큰 퓨즈를 사용하지 말고 즉시 사용을 중지한 뒤 서비스 점검을 받아야 합니다. |
| 장시간 고출력 후 꺼짐 | 열 보호 센서가 작동했을 수 있습니다. POWER를 OFF로 두고 음량을 줄인 뒤 5분 후 다시 켭니다. |
| 하이레벨 연결 시 저역이 약함 | 스피커 케이블 극성이 반대로 연결되었는지 확인합니다. |
| 험 노이즈 발생 | 비디오 장비가 포함된 시스템이라면 케이블 TV 라인을 분리해 보고, 사라지면 그라운드 아이솔레이터를 검토합니다. |
| Speaker B 연결 후 메인 스피커 음량 감소 | 서브우퍼를 메인 스피커와 같은 단자에 연결하거나, 서브우퍼 SPEAKER IN 쪽으로 배선을 재구성합니다. 가능하면 라인 레벨 연결로 전환합니다. |
| 최대 볼륨 사용 | 앰프는 최대 출력 근처에서 왜곡이 급증할 수 있으므로 시스템을 끝까지 올려 쓰지 않는 것이 안전합니다. |
퓨즈 교체와 과열 보호에 대한 주의
퓨즈를 교체할 때는 반드시 먼저 전원 코드를 분리해야 합니다.
퓨즈 홀더 옆 앰프 패널에 표시된 것과 동일한 종류와 정격값의 퓨즈만 사용해야 하며, 더 큰 값의 퓨즈를 넣어서는 안 됩니다.
또한 KSW Series의 내장 앰프에는 열 보호 센서가 있어 정격을 넘는 고출력 상태가 오래 이어지면 자동으로 꺼질 수 있습니다.
이 경우 고장으로 오해하기 쉽지만, 보호 회로가 정상 작동한 것일 수 있습니다.
관리 및 청소 방법
KSW Series 서브우퍼의 외장 마감은 내구성이 좋은 무광 블랙 비닐입니다.
평소에는 마른 먼지떨이 또는 부드러운 마른 천으로 닦아주면 충분합니다.
필요하면 약간 젖은 천을 사용할 수 있지만, 연마제 성분이 있는 세정제나 용제 기반 클리너, 강한 세제는 피해야 합니다.
표면이 생각보다 깔끔하게 유지되는 편이라 과한 세척은 오히려 손해일 수 있습니다.
제품 정보 기록 및 보증 관련 메모
설명서에는 모델명, 시리얼 번호, 구입일, 판매점 이름을 기록해 두도록 안내하고 있습니다.
추후 서비스나 문의 시 필요한 경우가 많으므로 제품 설치 후 바로 메모해 두는 것이 좋습니다.
또한 보증 등록 카드가 제공된 경우 빠르게 등록해 두면 제품 정보와 프로모션, 사후 지원 관련 안내를 받는 데 도움이 됩니다.
KSW Series를 제대로 쓰기 위한 핵심 포인트
Klipsch KSW Series 서브우퍼 설명서의 핵심은 크게 네 가지입니다.
- 첫째, 설치 전에는 전원과 안전 수칙을 먼저 지켜야 합니다.
- 둘째, 연결은 SPEAKER LEVEL 또는 LINE LEVEL 중 시스템에 맞는 한 가지를 중심으로 선택해야 합니다.
- 셋째, LEVEL, LOW PASS, PHASE는 정답이 고정된 값이 아니라 공간과 스피커 조합에 따라 조정해야 합니다.
- 넷째, 배치 위치만 바꿔도 소리가 꽤 달라지므로 충분히 들어 보면서 세팅하는 것이 중요합니다.
특히 KSW-12와 KSW-15는 메인 스피커 하이패스 운용까지 가능해 시스템 튜닝 폭이 넓은 편입니다.
설명서 기준대로 차근차근 맞추면 어렵지 않게 안정적인 저역을 만들 수 있습니다.




